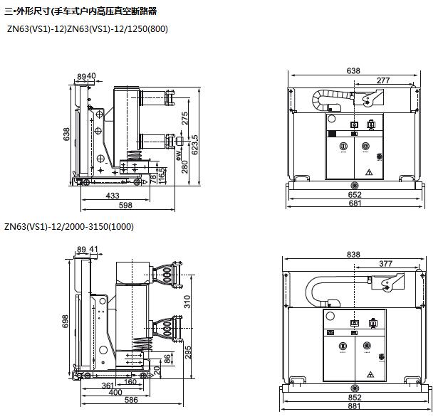
一、·产品概述
ZN63(VS1)-12户内高压真空断路器是三相交流50Hz,,,,,,,额定电压为12kV的户内开关装备,,,,,,,可供工矿企业、发电厂及变电站、电气设施的控制和;;;;;;;ぶ茫,,,,,,并适合于频仍操作的场合。。。。。。。接纳VET操念头构与断路器本体一体化,,,,,,,设计即可做为牢靠装置单位,,,,,,,也可配用专用推进机构,,,,,,,组成手车单位使用。。。。。。。主回路部分可接纳整体固封极柱,,,,,,,以实现断路器小型化、高可靠、免维护,,,,,,,可配用KYN28A-12(GZS)等中置手车式开关柜,,,,,,,也可配用于XGN牢靠式开关柜。。。。。。。
二·使用情形
1.手车式户内高压真空断路器ZN63(VS1)-12)1. 情形温度:不高于40℃,,,,,,,不低于-10℃(允许在-30℃时储运)。。。。。。。
2. 海拔高度:不凌驾1000m。。。。。。。
3. 相对湿度:日平均值不大于95%,,,,,,,饱和蒸汽压日平均值不大于2.2×10 MPa,,,,,,,月平均不大于1.8×10 MPa。。。。。。。
4. 地动烈度:不超度8级。。。。。。。
5. 无火灾、爆炸、严重腌臜、化学侵蚀及强烈振动的场合。。。。。。。
2. 海拔高度:不凌驾1000m。。。。。。。
3. 相对湿度:日平均值不大于95%,,,,,,,饱和蒸汽压日平均值不大于2.2×10 MPa,,,,,,,月平均不大于1.8×10 MPa。。。。。。。
4. 地动烈度:不超度8级。。。。。。。
5. 无火灾、爆炸、严重腌臜、化学侵蚀及强烈振动的场合。。。。。。。
