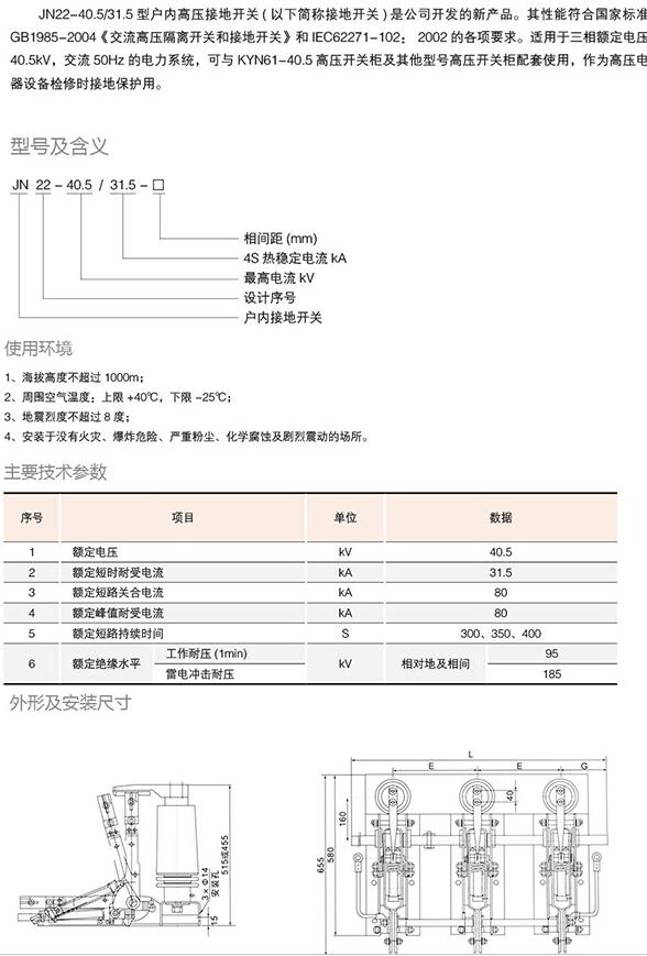
JN22B- 40.5/31.5型户内高压接地开关(以下简称接地开关) 其性能切合国家标准GB1985-2004《交流高压隔脱离关和接地开关》和IEC62271-102:2002的各项要求,,,,,,适用于三相额定电压 40.5Kv、交流50Hz的电力系统,,,,,,可与HYN61-40.5高压开关柜及其他型号高压开关柜配套使用,,,,,,作为高压电器装备磨练时接地;;;;;び谩!。。 JN22B-40.5/31.5型户内高压接地开关是在上述接地开关基础上刷新的。。。。结构精练紧凑,,,,,,性能一致,,,,,,便于小角度操作,,,,,,与JN15-12系列相同,,,,,,可接纳JN15-12的毗连和传动件。。。。
使用情形条件
1. 周围空气温度:上限+40℃;;;;;下限-25℃;;;;;
2. 海拔高度不凌驾1000m;;;;;
3. 地动烈度不凌驾8度;;;;;
4. 装置于没有火灾、爆炸危险、严重粉尘、化学侵蚀及强烈振 动的场合。。。。
主要结构
JN22B-40.5/31.5-400高压接地开关有支架、接地刀装配、静触头、传感器、轴、
拐臂、压簧、导电套管、软毗连组成。。。。注:支架由薄钢板弯曲后焊接成部件,,,,,,其余均为组
装式零部件。。。。
